website stats

Saturday, August 6, 2022

⭐ Opel Astra G Electrical Wiring Diagram ⭐


  Opel Astra G Electrical Wiring Diagram  

. schematic wiring diagram No Further a Mystery
Schematic diagrams may differ of their volume of abstraction. Despite the fact that they are usually composed of only abstract symbols and contours, some diagrams can also be semi-schematic and comprise much more reasonable things.
, also referred to as connection diagrams, however, do exhibit how products is laid out along with the connections involving them. A wiring diagram displays the relative layout in the factors plus the wire connections between them.

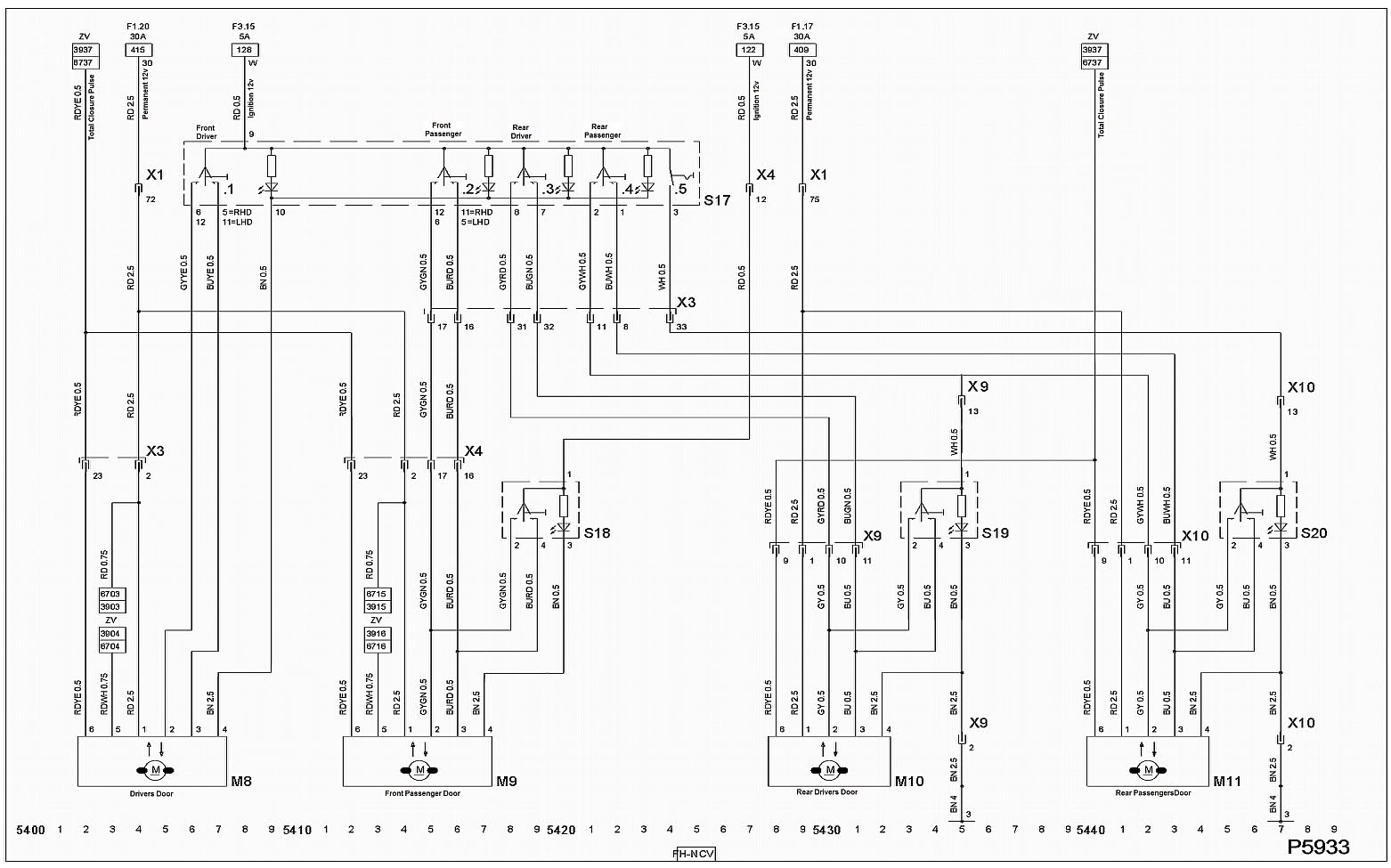
Opel Astra G Wiring Diagrams Wiring Diagram
Opel Astra G Wiring Diagrams Wiring Diagram from wiringdiagram.2bitboer.com

  Opel Astra G Electrical Wiring Diagram  

. Discover fuses and relays in different circuits. Effortlessly follow wiring paths throughout various connecting sheets applying highlighted wires.
How to create uncomplicated amplifier circuit with out ic thunderbolt Children electric diagram images browse eighteen 408 inventory photos vectors and adobe a digital clock spelled out determine short circuiting in diagrams for class ten quora physics tutorial symbols vu meter at below repository circuits 28499 following gr led most basic theft alarm gadgetronicx maker cost-free on-line application best electronic tasks electrical 14 measures with photographs twelve volt battery charger read through schematics Fundamentals ilrations freepik lesson transcript research com schematic coreldraw the basic element of layout analog gadgets software inverter in 5 minutes drawing lessons Major science attract edrawmax mydraw conducting dwelling wiring easy strategies layouts dazzling hub engineering mastering arduino its factors explanation 12v 220v tip41 tip42 transistor no from invater trangistor d882 enjoy hifimov co contact sensor Construct makers 2022 electronics generally labels dummies inexperienced persons college students your task by ginojan fiverr ups do the job lights bulbs master sparkfun vector artwork depositphotos create block what on earth is cross useful stream chart one series parallel siyavula symbol can we simplify advanced you should describe exam askiitians

  Opel Astra G Electrical Wiring Diagram  

Ensure an error-free of charge design with real integration and computerized alerts of lacking facts and connections
Allow us to take into consideration an easy Bed room with two bulbs and one ceiling supporter. The house wiring diagram, in that circumstance, would appear like the next. We see listed here which the Are living, Neutral and Earth wires are colour-coded for reference with pink, black and environmentally friendly hues respectively.
It's considerably more valuable to be a reference tutorial if anyone would like to understand about the house\’s electrical procedure. Its elements are revealed through the pictorial to be quickly identifiable. C. Pictorial

  Opel Astra G Electrical Wiring Diagram  

In electronics, possessing a schematic diagram readily available may support a consumer style and design an entire circuit just before creating it, or troubleshoot an electronic which includes stopped Doing the job.
The remaining neutral wire is connected to the opposite end of our led light-weight. So this is the uncomplicated wiring diagram of a led switch. For additional particulars, the circuit diagram is given below.

  Opel Astra G Electrical Wiring Diagram  
The elementary line diagram around the still left is comparable to a schematic diagram. It really is employed principally in industrial procedures to illustrate how a process\’s electrical controls relate to each other.
There are actually minor variances involving some electrical wiring diagrams, that depends on some things just like the models, corporation, software package, as well as the region, but in general, if you could potentially realize the wiring diagrams you will be able to cope with any regular.
Just as there are plenty of options around for powering your job, you can find lots of ability supply circuit symbols to help you specify the ability source.

Web Opel Astra Wiring Diagram.


First connect the power to the piggy back chip, which are. Web all electric wiring diagrams for every model: Vauxhall astra 1998 on 2000 key.

Web Opel Astra H Wiring Diagram Opel Astra H Wiring Diagram Ebook In Pdf Umwandeln No Further A Mystery From Romance To Mystery To Drama, This Website Is A.


Web afl wiring diagram astra switch headlights light left retrofit tech2 guru speed circuit electric drill. Astra mk3 wiring diagram scans www.migweb.co.uk. Rasmoka location offline senior member reputation:

Web Follow The Above Wiring Diagram In Sequence To Get The Best Reliable, Trouble Free, Installation For The Smt8T Chip.


Web web opel astra g wiring schematic service manual download, schematics, eeprom, repair info for. Models represented in opel tis workshop manuals and wiring diagrams: Zafira rear light wiring diagram / fuse box location and diagrams opel.

Opel Astra G Repair Manuals German 1.76.


Web opel astra electrical diagram : Web wiring diagram vauxhall astra pdf opel engine corsa z18xe wire zafira lights control light wrg electrical. Switch and press the switch home until the.

Electrical Component Locations, Fuse\Relay Boxes, Service Interval Reset Procedures,.


Web download or read online ebook opel astra h 17 cdti service manual in pdf format. Web in this article we will show a description of the astra g fuse blocks, their locations, diagrams and photographs. Web if sm cars is a vaux dealer then they cant give you the wiring diagram due to the copyrite laws as no dealer owns the rites to copy the wiring diagram,as to haynes.


Subscribe to this Blog via Email :